Garantía técnica de los transformadores encapsulados europeos
Transformadores en serie encapsulados frente a las exigencias industriales actuales
La demanda de componentes eléctricos de alta fiabilidad, como el transformador en serie encapsulada, ha aumentado notablemente en la industria europea, especialmente en países como España, Alemania, Francia e Italia. En estos mercados, caracterizados por estándares técnicos rigurosos y la necesidad de alta eficiencia energética, contar con un transformador en serie encapsulada de gran calidad se ha convertido en un requerimiento ineludible para fabricantes y distribuidores de equipos de regulación y control como los variadores de tensión.
Este componente no solo garantiza una operación más estable y segura, sino que también protege el sistema eléctrico de posibles sobrecargas o picos indeseados, minimizando así los periodos de inactividad y maximizando el rendimiento general de las instalaciones.
Dentro del sector industrial europeo, existe un compromiso hacia soluciones más robustas y duraderas, y el transformador en serie encapsulada cumple un papel fundamental en este avance.
Su diseño, que aísla completamente los devanados mediante compuestos encapsulantes de alta resistencia térmica y eléctrica, mejora el comportamiento frente a agentes externos como la humedad, el polvo o los productos químicos que son habituales en entornos fabriles.
Esto lo convierte en una elección imprescindible para instalaciones exigentes, donde cualquier fallo eléctrico puede traducirse en importantes pérdidas económicas o de producción.
Con una estructura compacta y segura, este tipo de transformador no solo responde a las normativas europeas vigentes, sino que anticipa las expectativas del sector en materia de sostenibilidad y eficiencia energética.
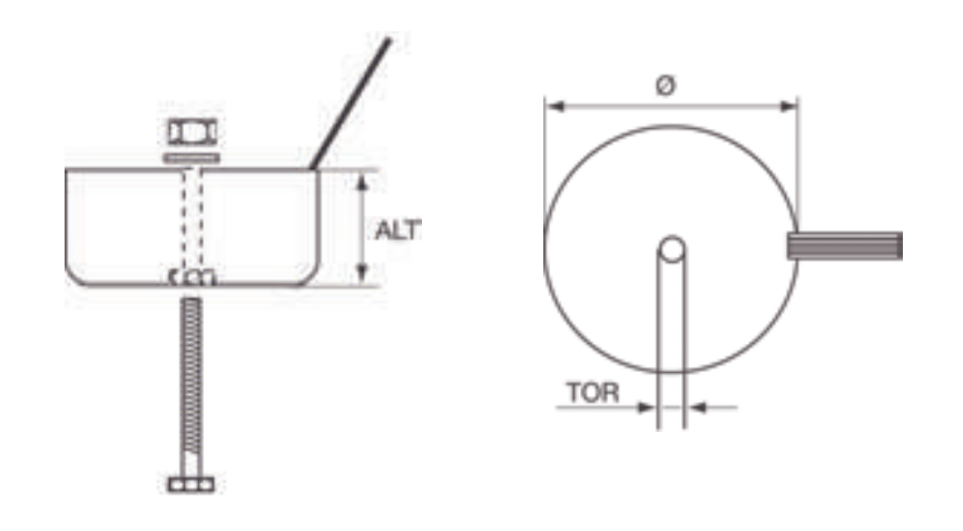
| Transformadores encapsulados en cajas Transformers packed in casing |
||||
|---|---|---|---|---|
| VA | Ø mm. | Altura mm Height mm. |
Kg. | Fijación Mounting |
| 15 | 73 | 35.4 | 0.5 | M5x45 |
| 20 | 73 | 35.4 | 0.5 | M5x45 |
| 30 | 73 | 39.1 | 0.6 | M5x50 |
| 40 | 81.5 | 39.1 | 0.7 | M5x50 |
| 50 | 81.5 | 39.1 | 0.7 | M5x50 |
| 60 | 87.3 | 41.7 | 0.9 | M5x55 |
| 60 | 91 | 40.5 | 0.9 | M5x55 |
| 80 | 96.7 | 37.1 | 1.0 | M6x50 |
| 100 | 104.2 | 44 | 1.2 | M6x60 |
| 120 | 104.2 | 44 | 1.2 | M6x60 |
| 150 | 104.2 | 52.1 | 1.6 | M6x70 |
| 200 | 115 | 53.2 | 2 | M6x70 |
| 250 | 125.4 | 52.4 | 2.1 | M6x70 |
| 300 | 125.4 | 65.3 | 2.3 | M6x80 |
| 400 | 139.6 | 65.7 | 3.5 | M8x80 |
| 500 | 148 | 90 | 4.2 | M8x110 |
| 600 | 151.2 | 82.8 | 6.1 | M8x100 |
| 750 | 154.4 | 100.3 | 7.5 | M8x110 |
Transformador en serie encapsulada y su valor en proyectos críticos Europeos
Torivac se ha consolidado como una de las pocas empresas europeas especializadas en el diseño y producción de transformador en serie encapsulada con los más altos niveles de calidad, precisión y cumplimiento normativo. Con presencia activa en España y en distintos puntos estratégicos del continente, esta compañía ofrece soluciones certificadas acorde a las expectativas de la industria 4.0, garantizando un funcionamiento sostenible, seguro y continuo en aplicaciones de alto rendimiento eléctrico. Su equipo de ingeniería desarrolla transformadores que no sólo responden con precisión a los requerimientos técnicos de cada aplicación, sino que lo hace con procesos de fabricación orientados a la eficiencia energética, confiabilidad mecánica y máxima compatibilidad electromagnética.
Torivac es su absoluta independencia respecto a componentes de baja calidad importados

Todos los productos, incluidos los transformadores en serie encapsulada, son fabricados con materias primas europeas y bajo estrictos protocolos de control de calidad certificados por organismos nacionales e internacionales. Además, el diseño de los encapsulados se basa en resinas y compuestos epóxicos de alto aislamiento eléctrico, estudiados para ofrecer una tolerancia térmica superior aún en condiciones de carga extrema. Todo esto convierte a Torivac en la elección preferida para distribuidores y fabricantes de variadores de tensión que buscan durabilidad, fiabilidad y soporte técnico ante cualquier requerimiento operativo.
Desde la consultoría previa al diseño hasta el soporte postventa y la trazabilidad total de sus productos, Torivac se involucra de forma integral en cada fase del proceso. El resultado es un transformador en serie encapsulada que se adapta al entorno de cada in ustria, mejorando la estabilidad del sistema eléctrico, ahorrando costos operativos a largo plazo y fortaleciendo el cumplimiento normativo en proyectos de carácter internacional. Su compromiso hacia la innovación se refleja en equipos altamente eficientes, compactos, silenciosos y respetuosos con el medioambiente, desarrollados específicamente para enfrentar las exigencias de los mercados industriales más sofisticados de Europa.
Ventajas técnicas y estratégicas de los transformadores en serie circuito impreso de Torivac.
Torivac se ha consolidado como uno de los referentes europeos en el desarrollo, fabricación y distribución de transformadores de alta precisión, con especialización en el transformador en serie circuito impreso. Su posicionamiento en el ámbito técnico responde no solo a la experiencia acumulada en el sector eléctrico, sino también a una fuerte inversión en I+D orientada a la mejora constante del rendimiento y la fiabilidad de sus productos. A diferencia de muchos proveedores asiáticos, Torivac diseña cada uno de sus modelos en base a los requerimientos específicos del entorno europeo, garantizando cumplimiento total con normativas como RoHS, CE o REACH. Cada transformador en serie circuito impreso fabricado por Torivac es sometido a pruebas de temperatura, carga y aislamiento, lo que implica una garantía operativa comprobada, incluso en ambientes de alta exigencia térmica o electromagnética.
Los variadores de tensión utilizados por integradores europeos son cada vez más sofisticados, incorporando controles digitales, protocolos de comunicación industrial y precisión energética. Los transformadores de Torivac están diseñados justamente para integrarse en estos entornos, facilitando la estabilidad de la línea de alimentación, la reducción de armónicos y una respuesta optimizada bajo carga variable.
El futuro de la energía industrial pasa por el encapsulado técnico
Elegir un transformador en serie encapsulada fabricado por Torivac significa realizar una inversión inteligente que trasciende más allá de lo económico para integrarse en la estrategia técnica y productiva de cualquier empresa industrial moderna. En un contexto europeo donde la eficiencia energética, la reducción de tiempos muertos y la sostenibilidad se han convertido en ejes centrales de operación, disponer de componentes eléctricos confiables resulta esencial para garantizar la competitividad. Esta no es sólo una cuestión técnica, sino también de reputación empresarial: equipos ineficientes o con alta tasa de fallo repercuten directamente en la experiencia del cliente final y en la imagen de la compañía.
El uso de un transformador en serie encapsulada de alta calidad como el que desarrolla Torivac permite alcanzar niveles superiores de rendimiento, seguridad y vida útil en instalaciones con presencia de variadores de tensión y otros elementos críticos de control. A diferencia de opciones asiáticas con menor garantía estructural, los transformadores de Torivac resisten condiciones exigentes de humedad, vibración, sobrecarga y ambientes corrosivos sin comprometer su funcionamiento. Esto no solo se traduce en menos intervenciones técnicas, sino también en una notable ventaja competitiva para fabricantes y distribuidores que requieren fiabilidad total como parte de su propuesta de valor.
Colaborar con una empresa como Torivac no debe verse como una transacción puntual, sino como una alianza sostenible a lo largo del tiempo. El compromiso con el cliente, el cumplimiento normativo y la innovación aplicada convierten al transformador en serie encapsulada de Torivac no solo en una solución técnica sino en un activo estratégico dentro del ecosistema industrial europeo. Ante la necesidad de contar con proveedores que comprendan los retos específicos del mercado, trabajar con Torivac asegura previsibilidad operativa y excelencia constructiva, condiciones indispensables para avanzar en un mercado competitivo y cada vez más exigente.



